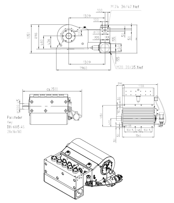
With an impressive 3,000 kW drive power and an advanced five-cylinder quintuplex design, the K300000-5G redefines performance for industries that rely on ultra-high flow rates. Engineered to operate without inlet pressure and without cavitation, this pump delivers powerful and continuous flow under the most demanding conditions.
Engineered for Demanding Applications Across Heavy Industry
Whether in hydraulic descaling, water hydraulics, or large-scale oil and gas systems, the K300000-5G ensures reliable and efficient high-pressure operation. Its unique five-cylinder design guarantees stable pressure delivery with minimal pulsation, making it ideal for sensitive applications like fracking and continuous descaling processes in steel production.
24/7 Performance Backed by Advanced Engineering
The pump features a high-performance gearbox with external forced-feed lubrication and integrated oil cooling, ensuring stable operation even under extreme thermal and mechanical loads. Built for continuous industrial duty, its modular system allows easy configuration for various media, pressure ranges, and process conditions.
Extreme output capacity: 3,000 kW of input power for ultra-high flow rates
Quintuplex technology: Minimizes pulsation and prevents cavitation
No inlet pressure required: Flexible integration into existing systems
Continuous-duty ready: External lubrication system with oil cooler
Modular design: Compatible with KAMAT system components and pump heads
Built for industrial scale: Durable, low-maintenance, high-efficiency solution
| K300000-5G | Q max. | p max. psi @ hp | Head type | |||||
|---|---|---|---|---|---|---|---|---|
| US-GPM | 2040 | 2720 | 3400 | 4078 | A | M | M2 | |
| 300060 | 227.2 | 14431 | 1 | |||||
| 300065 | 266.5 | 12328 | 1 | |||||
| 300070 | 309.1 | 10588 | 14141 | 1 | ||||
| 300075 | 354.8 | 9210 | 12328 | 14504 | 1 | |||
| 300080 | 403.7 | 8122 | 10805 | 13561 | 14504 | 1 | ||
| 300085 | 455.7 | 7179 | 9572 | 11966 | 14359 | 1 | ||
| 300090 | 510.9 | 6382 | 8557 | 10660 | 12836 | 1 | ||
| 300095 | 569.3 | 5729 | 7687 | 9572 | 11531 | 1 | ||
| 300100 | 630.8 | 5221 | 6889 | 8630 | 10370 | 1 | ||
| 300110 | 763.2 | 4279 | 5729 | 7179 | 8557 | 2 | ||
| 300120 | 908.2 | 3626 | 4786 | 6019 | 7179 | 2 | ||
| 300130 | 1,065.9 | 3046 | 4134 | 5149 | 6164 | 2 | ||
| 300140 | 1,236.3 | 2683 | 3553 | 4424 | 5294 | 3 | ||
| 300150 | 1,419.1 | 2321 | 3046 | 3844 | 4641 | 3 | ||
| 300160 | 1,614.6 | 2031 | 2683 | 3408 | 4061 | 3 | ||
| 300170 | 1,822.8 | 1813 | 2393 | 2973 | 3626 | 4 | ||
| 300180 | 2,043.6 | 1595 | 2103 | 2683 | 3191 | 4 | ||
| 300190 | 2,276.9 | 1450 | 1885 | 2393 | 2901 | 4 | ||
| 300200 | 2,522.8 | 1305 | 1740 | 2176 | 2611 | 4 | ||
| 300210 | 2,781.5 | 1160 | 1595 | 1958 | 2321 | 4 | ||
| Pressure (US) | max. | 14504 | psi |
| Flow (US) | max. | 2781.5 | us-gpm |
| Power Input (US) | max. | 4078.9 | hp |
| Weight (US) | 16534.7 | lbs |
| Pressure (ISO) | max. | 1000 | bar |
| Flow (ISO) | max. | 10529 | l/min |
| Power Input (ISO) | max. | 3000 | kW |
| Weight (ISO) | 7500 | kg |
flow rate is based on 100 % volumetric efficiency and 20 °C ambient temperature
min. inlet pressure depending on fluid medium
speed range 0-100 % depending on rod force
crankshaft dynamically balanced
gear with external force-fed lubrication and oil cooling
external gear ratio on request e.g. i = 4,76; 5,72 ; 6,3
also available to API 674
horizontal operation
special medium such as sea water, glycol, methanol, oils, etc. on request

Contact:Mr Liu
Mobile:15869109368
Tel:86-571-89967020
E-mail:info@dawopu.com
Address:No151 ,ZiDingXiang Rd, Hangzhou. Zhejiang Province, China